Reduktor kielichowy PPH do klejenia na gorąco DN20*15-100*80 GB Standard

Ziemnożółte reduktory PPH z gniazdem termotopliwym DN20*15-100*80 Niestandardowe 4-calowe przemysłowe złączki do rur z tworzywa sztucznego do zaopatrzenia w chemikalia i wodę
Miejsce pochodzenia: Chiny
Nazwa marki: KXPV
Technika: Kute
Podłączenie: gniazdo
Materiał: PPH
Kształt: równy
Kod głowy: Kwadrat
Kolor: ziemisty żółty
Rozmiar: DN20*15-100*80
Zastosowanie: Przemysł
Pakowanie: Pudełko kartonowe
Ciśnienie robocze: 1,6 MPA
Czas dostawy: 7 dni
MOQ: 1 sztuka

Lista ograniczeń temperaturowych aplikacji
Materiał Średnia temperatura℃ Materiał Średnia temperatura℃
PCV-C -20 ℃ ~ 95 ℃ PCV-U -5 ℃ ~ 45 ℃
FRPP -20 ℃ ~ 120 ℃ PPH -20 ℃ ~ 110 ℃
PVDF 40 ℃ ~ 150 ℃

Cechy strukturalne produktu

1. Wysoka krystaliczność
Wykonany z pojedynczego monomeru polipropylenu, łańcuch molekularny nie zawiera monomerów etylenu; łańcuch molekularny jest bardzo regularny i zapewnia długą żywotność.
2. Doskonała odporność na korozję
Jest odporny na korozję spowodowaną kwasami i zasadami o wysokim stężeniu w zakresie pH 1-14.
3. Odporne na ciepło, izolujące i energooszczędne
Może pracować w temperaturach od -20°C do 110°C. Jego niska przewodność cieplna zapewnia doskonałe właściwości izolacyjne.
4. Niezawodne połączenie
Połączenia termotopliwe są mocniejsze niż sama rura, co zapobiega ich pękaniu w wyniku ruchu gleby lub obciążeń.
5. Doskonała wydajność konstrukcyjna
Ten produkt jest lekki, charakteryzuje się prostym procesem spawania, jest łatwy w montażu i oferuje niski koszt całkowity, odpowiedni do złożonych rurociągów procesowych. Systemy rurowe PPH są szeroko stosowane w branżach takich jak galwanizacja, trawienie, chemikalia, farmaceutyka, oczyszczanie ścieków i inżynieria środowiska.

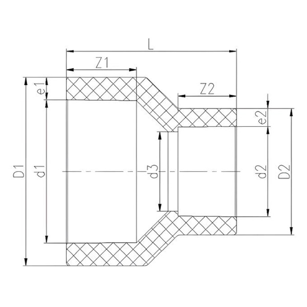
Reduktor gniazda topliwego PPH

DN D1 D2 d1 d2 d3 L Z1 Z2 e1 e2
20*15 35 29 25 20 16 40 18 15 5 4.5
25*15 43 29 32 20 16 46 20 15 5.5 4.5
25*20 43 35 32 25 20 47 20 18 5.5 5
32*20 51 35 40 25 20 53 22 18 5.5 5
32*25 51 43 40 32 27 52 22 20 5.5 5.5
40*20 64 35 50 25 20 60 24 18 7 5
40*25 64 43 50 32 27 58 24 20 7 5.5
40*32 64 51 50 40 35 56 24 22 7 5.5
50*25 82 44 63 32 27 70 28.5 20.5 9.5 6
50*32 82 52 63 40 36 68 28.5 22.5 9.5 6
50*40 82 65 63 50 46 65 28.5 24.5 9.5 7.5
65*32 94 52 75 40 36 76 31 22 9.5 6
65*40 94 65 75 50 45 73 31 24 9.5 7.5
65*50 94 82 75 63 57 71 31 28 9.5 9.5
80*40 115.5 66 90 50 45 85 35 24 13 8
80*50 115.5 82.5 90 63 56 83 35 28 13 10
80*65 116 95 90 75 68 80 35 31.5 13 10
100*40 134 64.5 110 50 45 99 41 24 12 7.5
100*50 134 81.5 110 63 56.5 97 41 28 12 9.5
100*65 134 93 110 75 67.5 95 41 31 12 9
100*80 136 116 110 90 82 93.5 41 36 13 13
Wiadomość zwrotna
[#wejście#]
O nas
Kaixin Pipeline Technologies Co., Ltd.
Założona w 1999 roku, Kaixin Pipeline Technologies Co., Ltd. to zaawansowane technologicznie przedsiębiorstwo integrujące badania i rozwój, produkcję, sprzedaż i serwis. Firma posiada wiele prestiżowych certyfikatów, w tym National High-Tech Enterprise, „Little Giant” wyspecjalizowane i wyrafinowane MŚP, krajowy mistrz pojedynczego produktu (uprawa), prowincjonalne MŚP oparte na technologii, wyspecjalizowane i wyrafinowane MŚP w Ningbo, mistrz pojedynczego produktu w Ningbo (uprawa), centrum badawczo-rozwojowe w zakresie technologii rur i zaworów polimerowych w Ningbo, zielona fabryka na poziomie okręgu, czterogwiazdkowe przedsiębiorstwo w zakresie innowacji w zarządzaniu oraz poziom dojrzałości zarządzania danymi przedsiębiorstwa 2.
Specjalizujemy się w opracowywaniu, produkcji i dostarczaniu niemetalowych, odpornych na korozję produktów do zastosowań chemicznych, w tym plastikowych zaworów, rur, złączek rurowych i odpornych na korozję pomp. Nasze portfolio produktów obejmuje materiały takie jak PVC-C, PVC-U, PVDF, PPH i FRPP, z szeroką gamą typów i specyfikacji. Warto zauważyć, że nasze przepustnice mogą osiągać średnicę DN1000, a rury i kształtki do DN800, co pozwala wypełnić luki rynkowe i utrzymać naszą przewagę konkurencyjną w branży.
Kierując się zasadą „Napędzani technologią, dotrzymując kroku czasom”, Kaixin przeznacza prawie 10 milionów RMB rocznie na badania i rozwój. Zapewniamy najwyższą jakość produktów poprzez standaryzowaną, zautomatyzowaną produkcję i rygorystyczne pozyskiwanie importowanych surowców. Zgodnie z naszą międzynarodową strategią rozwoju stale monitorujemy światowe trendy rynkowe i wykorzystujemy kanały cyfrowe, aby dostarczać klientom na całym świecie wysokiej jakości produkty „Made in China”.
Ningbo • Baza badawczo-rozwojowa i produkcyjna Fenghua
Dzięki inwestycji o łącznej wartości 200 milionów RMB firma Kaixin Ultra-Pure Pipe Technology (Ningbo) Co., Ltd. utworzyła nowe laboratorium materiałowe we współpracy z uniwersytetami i instytutami badawczymi, zbudowała nowoczesną bazę produkcyjną i zainstalowała 8 w pełni zautomatyzowanych linii produkcyjnych do modyfikowanych tworzyw sztucznych i 8 do materiałów polimerowych. Obiekt zajmuje się badaniami i rozwojem, produkcją i zastosowaniem nowych modyfikowanych tworzyw sztucznych i materiałów polimerowych. Kaixin angażuje się także w przyciąganie najlepszych talentów z różnych dziedzin, ciągłe wprowadzanie innowacji w produktach i rozwój marki, a jego celem jest zdobycie pozycji rozpoznawalnego na całym świecie lidera w dziedzinie badań i rozwoju oraz produkcji polimerowych zaworów, rur i złączek.
Świadectwo honorowe
  • honor
  • honor
  • honor
  • honor
  • honor
  • honor
  • honor
  • honor
  • honor
Wiadomości