Kołnierz kompozytowy w standardzie GB

Kołnierz powlekany tworzywem sztucznym wzmocnionym włóknem szklanym FRP/PVC-C, FRP/PVC-U

Lista ograniczeń temperaturowycgodz aplikacji
Materiał Średnia temperatura℃ Materiał Średnia temperatura℃
PCV-C -20 ℃ ~ 95 ℃ PCV-U -5 ℃ ~ 45 ℃
FRPP -20 ℃ ~ 120 ℃ PPH -20 ℃ ~ 110 ℃
PVDF 40 ℃ ~ 150 ℃

Cechy strukturalne produktu

1. Lekki i o dużej wytrzymałości
Gęstość względna wynosi od 1,5 do 2,0, czyli tylko 1/4 do 1/5 stali węglowej, ale jej wytrzymałość na rozciąganie jest bliska lub nawet większa niż stali węglowej, a jej wytrzymałość właściwa jest porównywalna z wytrzymałością stali stopowej wysokiej jakości.
2. Doskonała odporność na korozję
FRP to doskonały materiał odporny na korozję, oferujący doskonałą odporność na powietrze, wodę, umiarkowane stężenia kwasów, zasad, soli oraz różnych olejów i rozpuszczalników.
3. Doskonałe właściwości elektryczne
FRP to doskonały materiał izolacyjny stosowany w izolatorach. Zachowuje dobre właściwości dielektryczne nawet przy wysokich częstotliwościach i ma doskonałą przepuszczalność mikrofalową.
4. Doskonałe właściwości termiczne
FRP ma niską przewodność cieplną i jest Przewodność cieplna wynosi 1,25-1,67 kJ/s, tylko 1/100-1/1000 przewodności metalu, co czyni go doskonałym materiałem termoizolacyjnym.
5. Doskonała projektowalność
Elastyczne projektowanie różnych produktów konstrukcyjnych w celu spełnienia określonych wymagań aplikacji, zapewniając doskonałą integralność produktu i umożliwiając dobór materiałów w celu spełnienia wymagań dotyczących wydajności produktu.
6. Doskonała produktywność
Elastyczną technologię formowania można wybrać na podstawie kształtu produktu, wymagań technicznych, zastosowania i ilości. Proces jest prosty, pozwala na jednoetapowe formowanie i zapewnia doskonałe korzyści ekonomiczne. Jest to szczególnie korzystne w przypadku złożonych, wymagających i małych produktów, podkreślając jego doskonałą przetwarzalność.

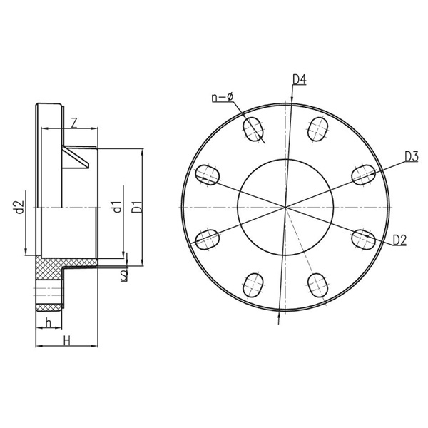
Kołnierz kompozytowy

DN D1 D2 D3 D4 d1 d2 H h Z S n- Φ
0,6 MPa 1,0 MPa 1,6 MPa
15 30 65 70 95 20 17 20 14 16 12 14 16 4-Φ15X20
20 36 70 75 105 25 22 23 16 19 12 14 16 4-Φ15X18
25 46 79 90 120 32 28 27 16 22 12 14 18 4-Φ16X22
32 53 89 100 140 40 36 31 17 26 12 16 18 4-Φ18X24
40 64 98 110 150 50 45 36 19 31 12 18 20 4-Φ18X25
50 77 120 125 165 63 58 43 21 38 15 18 20 4-Φ18X21
65 92 140 145 185 75 69 50 22 44 18 20 25 4-Φ18X21
80 108 150 160 200 90 84 57 25 51 18 20 25 8-Φ18X24
100 131 175 190.5 225 110 104 67 28 61 18 20 25 8-Φ18X26
125 160 210 216 250 140 134 82 30 76 18 25 30 8-Φ20X22
150 180 240 242 280 160 154 92 30 86 18 25 30 8-Φ23X24
200(PN10) 253 290 295 338 225 219 125 35 119 20 30 35 8-Φ23X27
200(PN16) 249 295 340 225 219 125 28 119 20 30 35 12-Φ23
250 310 350 362 406 280 254 153 30 146 25 35 40 12-Φ25X31
300 348 400 432 483 315 300 174 30 164 25 35 45 12-Φ25X41
350 393 460 470 520 355 348 197 35 184 30 40 50 16-Φ22X27
400 440 515 525 580 400 390 218 35 206 30 40 60 16-Φ26X31
450 494 561 589 640 450 430 243 40 231 35 45 65 20-Φ26X36
500 548 620 650 715 500 480 271 40 256 35 50 70 20-Φ26X41
600 692 725 780 840 630 571 506 42 321 40 55 75 20-Φ30X58

Wiadomość zwrotna
[#wejście#]
O nas
Kaixin Pipeline Technologies Co., Ltd.
Założona w 1999 roku, Kaixin Pipeline Technologies Co., Ltd. to zaawansowane technologicznie przedsiębiorstwo integrujące badania i rozwój, produkcję, sprzedaż i serwis. Firma posiada wiele prestiżowych certyfikatów, w tym National High-Tech Enterprise, „Little Giant” wyspecjalizowane i wyrafinowane MŚP, krajowy mistrz pojedynczego produktu (uprawa), prowincjonalne MŚP oparte na technologii, wyspecjalizowane i wyrafinowane MŚP w Ningbo, mistrz pojedynczego produktu w Ningbo (uprawa), centrum badawczo-rozwojowe w zakresie technologii rur i zaworów polimerowych w Ningbo, zielona fabryka na poziomie okręgu, czterogwiazdkowe przedsiębiorstwo w zakresie innowacji w zarządzaniu oraz poziom dojrzałości zarządzania danymi przedsiębiorstwa 2.
Specjalizujemy się w opracowywaniu, produkcji i dostarczaniu niemetalowych, odpornych na korozję produktów do zastosowań chemicznych, w tym plastikowych zaworów, rur, złączek rurowych i odpornych na korozję pomp. Nasze portfolio produktów obejmuje materiały takie jak PVC-C, PVC-U, PVDF, PPH i FRPP, z szeroką gamą typów i specyfikacji. Warto zauważyć, że nasze przepustnice mogą osiągać średnicę DN1000, a rury i kształtki do DN800, co pozwala wypełnić luki rynkowe i utrzymać naszą przewagę konkurencyjną w branży.
Kierując się zasadą „Napędzani technologią, dotrzymując kroku czasom”, Kaixin przeznacza prawie 10 milionów RMB rocznie na badania i rozwój. Zapewniamy najwyższą jakość produktów poprzez standaryzowaną, zautomatyzowaną produkcję i rygorystyczne pozyskiwanie importowanych surowców. Zgodnie z naszą międzynarodową strategią rozwoju stale monitorujemy światowe trendy rynkowe i wykorzystujemy kanały cyfrowe, aby dostarczać klientom na całym świecie wysokiej jakości produkty „Made in China”.
Ningbo • Baza badawczo-rozwojowa i produkcyjna Fenghua
Dzięki inwestycji o łącznej wartości 200 milionów RMB firma Kaixin Ultra-Pure Pipe Technology (Ningbo) Co., Ltd. utworzyła nowe laboratorium materiałowe we współpracy z uniwersytetami i instytutami badawczymi, zbudowała nowoczesną bazę produkcyjną i zainstalowała 8 w pełni zautomatyzowanych linii produkcyjnych do modyfikowanych tworzyw sztucznych i 8 do materiałów polimerowych. Obiekt zajmuje się badaniami i rozwojem, produkcją i zastosowaniem nowych modyfikowanych tworzyw sztucznych i materiałów polimerowych. Kaixin angażuje się także w przyciąganie najlepszych talentów z różnych dziedzin, ciągłe wprowadzanie innowacji w produktach i rozwój marki, a jego celem jest zdobycie pozycji rozpoznawalnego na całym świecie lidera w dziedzinie badań i rozwoju oraz produkcji polimerowych zaworów, rur i złączek.
Świadectwo honorowe
  • honor
  • honor
  • honor
  • honor
  • honor
  • honor
  • honor
  • honor
  • honor
Wiadomości