Lista ograniczeń temperaturowycgodz aplikacji
Materiał Średnia temperatura℃ Materiał Średnia temperatura℃
PCV-C -20 ℃ ~ 95 ℃ PCV-U -5 ℃ ~ 45 ℃
FRPP -20 ℃ ~ 120 ℃ PPH -20 ℃ ~ 110 ℃
PVDF 40 ℃ ~ 150 ℃

Cechy strukturalne produktu

1. Doskonała odporność chemiczna: szeroki zakres temperatur roboczych -20°C do 95°C, duża zawartość jonów w medium spełnia standardy wody ultraczystej, a właściwości higieniczne spełniają krajowe standardy zdrowotne.
2. Doskonała wytrzymałość, wytrzymałość i odporność na korozję chemiczną.
3. Trwałość: Doskonała odporność na starzenie i promieniowanie UV znacznie wydłuża żywotność innych systemów rurowych.
4. Niska przewodność cieplna: około 1/200 stali; samogasnący, zmniejszający palność.
5. Lekki: Lekki, odpowiednik 1/5 rury stalowej i 1/6 rury miedzianej.
6. Niski opór, wysokie natężenie przepływu: Gładka, czysta powierzchnia rury, minimalizuje tarcie i przyczepność podczas transportu płynów.
7. Łatwa instalacja, niski koszt: Dostępne są połączenia klejone i gwintowane, przy czym najwygodniejszy jest klej.

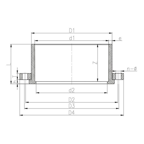
Lista wymiarów

DN D1 D2 D3 D4 d1 d2 L T h Z n- Φ
15 27 59 70 95 20 18 22 16 1.5 16 4-Φ15X20,5
20 32 70 75 105 25 23 25 18 1.5 19 4-Φ15X17,5
25 40 79 90 125 32 29 28 18 1.5 22 4-Φ15X20,5
32 50 89 100 140 40 36 31.5 20 1.5 26 4-Φ18X24,5
4 61 98 110 150 50 4 37 20 2 31 4-Φ18X24
50 75 120 125 165 63 58 44 25 2 38 4-Φ18X20,5
65 88 140 145 185 75 69 50 25 2 44 4-Φ18X20,5
80 105 150 160 200 90 84 57 26 2.5 51 8-Φ18X23
100 127 175 190 522 9110 105 67 26 2.5 61 8- Φ 18X26
125 161 210 250 140 130 84 28 12.5 77 8-Φ19
150 182 240 285 160 150 93 31 12.5 85 8-Φ23
200 249 295 339 225 215 127 36 16 119 8-Φ23X25
200 254 295.8 341 225 215 127 33.1 16 119 12-Φ22
250 308 350 395 280 267 154 40.5 16.5 144 12-Φ23
300 346 400 445 315 305 170 43 18 160 12-Φ23
350 395 460 505 355 340 176 43 16 164.5 16-Φ23
400 442 515 570 400 382 219 43 22 200 16-Φ27
450 494 565 625 450 430 220 40 27 210 20-Φ26
500 548 620 670 500 475 210 43 25 185 20-Φ27
Wiadomość zwrotna
[#wejście#]
O nas
Kaixin Pipeline Technologies Co., Ltd.
Założona w 1999 roku, Kaixin Pipeline Technologies Co., Ltd. to zaawansowane technologicznie przedsiębiorstwo integrujące badania i rozwój, produkcję, sprzedaż i serwis. Firma posiada wiele prestiżowych certyfikatów, w tym National High-Tech Enterprise, „Little Giant” wyspecjalizowane i wyrafinowane MŚP, krajowy mistrz pojedynczego produktu (uprawa), prowincjonalne MŚP oparte na technologii, wyspecjalizowane i wyrafinowane MŚP w Ningbo, mistrz pojedynczego produktu w Ningbo (uprawa), centrum badawczo-rozwojowe w zakresie technologii rur i zaworów polimerowych w Ningbo, zielona fabryka na poziomie okręgu, czterogwiazdkowe przedsiębiorstwo w zakresie innowacji w zarządzaniu oraz poziom dojrzałości zarządzania danymi przedsiębiorstwa 2.
Specjalizujemy się w opracowywaniu, produkcji i dostarczaniu niemetalowych, odpornych na korozję produktów do zastosowań chemicznych, w tym plastikowych zaworów, rur, złączek rurowych i odpornych na korozję pomp. Nasze portfolio produktów obejmuje materiały takie jak PVC-C, PVC-U, PVDF, PPH i FRPP, z szeroką gamą typów i specyfikacji. Warto zauważyć, że nasze przepustnice mogą osiągać średnicę DN1000, a rury i kształtki do DN800, co pozwala wypełnić luki rynkowe i utrzymać naszą przewagę konkurencyjną w branży.
Kierując się zasadą „Napędzani technologią, dotrzymując kroku czasom”, Kaixin przeznacza prawie 10 milionów RMB rocznie na badania i rozwój. Zapewniamy najwyższą jakość produktów poprzez standaryzowaną, zautomatyzowaną produkcję i rygorystyczne pozyskiwanie importowanych surowców. Zgodnie z naszą międzynarodową strategią rozwoju stale monitorujemy światowe trendy rynkowe i wykorzystujemy kanały cyfrowe, aby dostarczać klientom na całym świecie wysokiej jakości produkty „Made in China”.
Ningbo • Baza badawczo-rozwojowa i produkcyjna Fenghua
Dzięki inwestycji o łącznej wartości 200 milionów RMB firma Kaixin Ultra-Pure Pipe Technology (Ningbo) Co., Ltd. utworzyła nowe laboratorium materiałowe we współpracy z uniwersytetami i instytutami badawczymi, zbudowała nowoczesną bazę produkcyjną i zainstalowała 8 w pełni zautomatyzowanych linii produkcyjnych do modyfikowanych tworzyw sztucznych i 8 do materiałów polimerowych. Obiekt zajmuje się badaniami i rozwojem, produkcją i zastosowaniem nowych modyfikowanych tworzyw sztucznych i materiałów polimerowych. Kaixin angażuje się także w przyciąganie najlepszych talentów z różnych dziedzin, ciągłe wprowadzanie innowacji w produktach i rozwój marki, a jego celem jest zdobycie pozycji rozpoznawalnego na całym świecie lidera w dziedzinie badań i rozwoju oraz produkcji polimerowych zaworów, rur i złączek.
Świadectwo honorowe
  • honor
  • honor
  • honor
  • honor
  • honor
  • honor
  • honor
  • honor
  • honor
Wiadomości