Uniwersalny kołnierz gniazdowy PVC-C DN15-600 1/2"-24" Norma ANSI

Nowy typ, płytki, szary PVC-C Uniwersalny kołnierz gniazdowy DN15-DN600 Chemiczne sanitarne złączki z tworzyw sztucznych Standard ANSI SCH80
Pochodzenie: Chiny
Nazwa marki: KXPV
Materiał: tworzywo sztuczne
Proces: kute
Połączenie: gniazdo
Kształt: równy
Kod głowy: Kwadrat
Kolor: Jasnoszary
Rozmiar: DN15-DN600
Zastosowanie: Przemysł
Opakowanie: Karton
Ciśnienie robocze: 1 MPa
Czas dostawy: 7 dni
Minimalna ilość zamówienia: 1 sztuka

Lista ograniczeń temperaturowycgodz aplikacji
Materiał Średnia temperatura℃ Materiał Średnia temperatura℃
PCV-C -20 ℃ ~ 95 ℃ PCV-U -5 ℃ ~ 45 ℃
FRPP -20 ℃ ~ 120 ℃ PPH -20 ℃ ~ 110 ℃
PVDF 40 ℃ ~ 150 ℃

Cechy strukturalne produktu

1. Doskonała odporność chemiczna: zakres temperatur jest szeroki od -20 ℃ do 95 ℃. Zawartość jonów w ośrodku spełnia standardy wody ultraczystej. Parametry higieniczne są zgodne z krajowymi normami sanitarnymi.
2. Znakomita wytrzymałość, wytrzymałość i odporność na korozję chemiczną: Materiał zapewnia doskonałą wytrzymałość i odporność na korozję chemiczną.
3. Trwałość: Wyjątkowa odporność na starzenie i promieniowanie UV znacznie wydłużają żywotność w porównaniu do innych systemów rurowych.
4. Niska przewodność cieplna: Przewodność cieplna wynosi około 1/200 stali; właściwości zmniejszające palność są samogasnące.
5. Lekki: waży tylko około 1/5 rur stalowych i 1/6 rur miedzianych.
6. Niski opór, wysokie natężenie przepływu: Gładka i czysta ściana rury powoduje minimalny opór tarcia i przyczepność podczas transportu płynów.
7. Łatwa instalacja, niski koszt: Można łączyć za pomocą klejenia, gwintowania lub najprościej za pomocą kleju, oferując ekonomiczne i przyjazne dla użytkownika rozwiązanie.

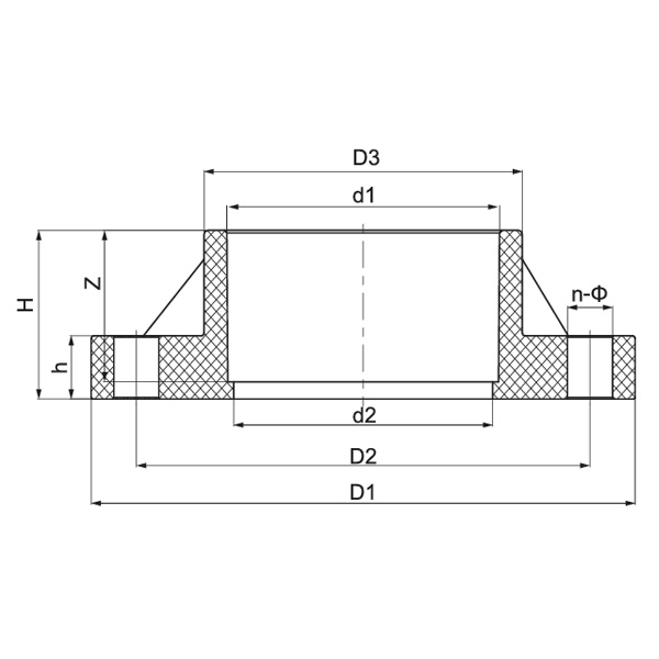
Lista wymiarów

Specyfikacja D1
(mm)
D2
(mm)
D3
(mm)
d1
(mm)
d2
(mm)
H
(mm)
h
(mm)
Z
(mm)
n-Φ
(mm)
1/2″ (15) 89 60 31.5 21.34 18 27 16 22.5 4-Φ16
3/4″ (20) 95 70 37 26.67 23 30.5 18 25.5 4-Φ16
1″ (25) 108 79 45 33.4 29 34.5 18 29 4-Φ16
1¼″ (32) 117 89 54.5 42.16 38 37.5 18 32 4-Φ16
1½″ (40) 127 98 61 48.26 44 40.5 20 35 4-Φ16
2″ (50) 152 121 74 60.32 55 44.5 20 38.5 4-Φ19
2½″ (65) 178 140 90 73.02 68 51 20 45 4-Φ19
3″ (80) 191 152 107 88.9 83 54.5 21 48 4-Φ19
4″ (100) 229 191 134 114.3 109 64 24 57.5 8-Φ19
5″ (125) 254 216 163 141.3 134 73.5 25 67 8-Φ22
6″ (150) 279 241 192 168.28 160 83.5 25 76.5 8-Φ22
8″ (200) 343 299 247 219.08 210 109 29 102 8-Φ22
Wiadomość zwrotna
[#wejście#]
O nas
Kaixin Pipeline Technologies Co., Ltd.
Założona w 1999 roku, Kaixin Pipeline Technologies Co., Ltd. to zaawansowane technologicznie przedsiębiorstwo integrujące badania i rozwój, produkcję, sprzedaż i serwis. Firma posiada wiele prestiżowych certyfikatów, w tym National High-Tech Enterprise, „Little Giant” wyspecjalizowane i wyrafinowane MŚP, krajowy mistrz pojedynczego produktu (uprawa), prowincjonalne MŚP oparte na technologii, wyspecjalizowane i wyrafinowane MŚP w Ningbo, mistrz pojedynczego produktu w Ningbo (uprawa), centrum badawczo-rozwojowe w zakresie technologii rur i zaworów polimerowych w Ningbo, zielona fabryka na poziomie okręgu, czterogwiazdkowe przedsiębiorstwo w zakresie innowacji w zarządzaniu oraz poziom dojrzałości zarządzania danymi przedsiębiorstwa 2.
Specjalizujemy się w opracowywaniu, produkcji i dostarczaniu niemetalowych, odpornych na korozję produktów do zastosowań chemicznych, w tym plastikowych zaworów, rur, złączek rurowych i odpornych na korozję pomp. Nasze portfolio produktów obejmuje materiały takie jak PVC-C, PVC-U, PVDF, PPH i FRPP, z szeroką gamą typów i specyfikacji. Warto zauważyć, że nasze przepustnice mogą osiągać średnicę DN1000, a rury i kształtki do DN800, co pozwala wypełnić luki rynkowe i utrzymać naszą przewagę konkurencyjną w branży.
Kierując się zasadą „Napędzani technologią, dotrzymując kroku czasom”, Kaixin przeznacza prawie 10 milionów RMB rocznie na badania i rozwój. Zapewniamy najwyższą jakość produktów poprzez standaryzowaną, zautomatyzowaną produkcję i rygorystyczne pozyskiwanie importowanych surowców. Zgodnie z naszą międzynarodową strategią rozwoju stale monitorujemy światowe trendy rynkowe i wykorzystujemy kanały cyfrowe, aby dostarczać klientom na całym świecie wysokiej jakości produkty „Made in China”.
Ningbo • Baza badawczo-rozwojowa i produkcyjna Fenghua
Dzięki inwestycji o łącznej wartości 200 milionów RMB firma Kaixin Ultra-Pure Pipe Technology (Ningbo) Co., Ltd. utworzyła nowe laboratorium materiałowe we współpracy z uniwersytetami i instytutami badawczymi, zbudowała nowoczesną bazę produkcyjną i zainstalowała 8 w pełni zautomatyzowanych linii produkcyjnych do modyfikowanych tworzyw sztucznych i 8 do materiałów polimerowych. Obiekt zajmuje się badaniami i rozwojem, produkcją i zastosowaniem nowych modyfikowanych tworzyw sztucznych i materiałów polimerowych. Kaixin angażuje się także w przyciąganie najlepszych talentów z różnych dziedzin, ciągłe wprowadzanie innowacji w produktach i rozwój marki, a jego celem jest zdobycie pozycji rozpoznawalnego na całym świecie lidera w dziedzinie badań i rozwoju oraz produkcji polimerowych zaworów, rur i złączek.
Świadectwo honorowe
  • honor
  • honor
  • honor
  • honor
  • honor
  • honor
  • honor
  • honor
  • honor
Wiadomości