Trójnik redukcyjny PVC-U DN15*20-600*500 1/2*3/4"-24*20" Norma ANSI

Wysokiej jakości ciemnoszary trójnik redukcyjny z PVC-U z gwintem wewnętrznym i przyłączem kielichowym, plastikowa złączka rurowa do zastosowań chemicznych i wodnych, norma ANSI SCH80
Pochodzenie: Chiny
Nazwa marki: KXPV
Proces: kute
Typ połączenia: żeńskie, gniazdo
Kształt: redukujący
Kod głowy: Okrągły
Kolor: Ciemnoszary
Zastosowanie: przemysłowe i chemiczne
Materiał: PVC-U
Czas dostawy: 7 dni
Minimalna ilość zamówienia: 1 sztuka
Wydajność dostaw: 10 000 sztuk/miesiąc

Lista ograniczeń temperaturowycgodz aplikacji
Materiał Średnia temperatura℃ Materiał Średnia temperatura℃
PCV-C -20 ℃ ~ 95 ℃ PCV-U -5 ℃ ~ 45 ℃
FRPP -20 ℃ ~ 120 ℃ PPH -20 ℃ ~ 110 ℃
PVDF 40 ℃ ~ 150 ℃

Cecgodzy strukturalne produktu

1. Lekki: materiał PVC-U ma tylko 1/10 masy żeliwa, co ułatwia transport i instalację, a tym samym zmniejsza koszty.
2. Doskonała odporność chemiczna: PVC-U zapewnia doskonałą odporność na kwasy i zasady, z wyjątkiem prawie nasyconych mocnych kwasów i zasad.
3. Trwałość: PVC-U ma wyjątkową odporność na warunki atmosferyczne i nie jest podatny na korozję powodowaną przez bakterie i grzyby.
4.Nieprzewodzący: materiał PVC-U nie przewodzi prądu elektrycznego ani nie podlega korozji pod wpływem prądu elektrycznego, co eliminuje potrzebę wtórnej obróbki. Jest niepalny i nie podtrzymuje spalania, więc nie ma zagrożenia pożarowego.
5. Niski opór, wysokie natężenie przepływu: Gładkie ścianki wewnętrzne minimalizują utratę przepływu płynu, a brud nie przylega łatwo do gładkiej powierzchni rury, co ułatwia konserwację i zmniejsza koszty konserwacji.
6. Łatwa instalacja, niski koszt: Cięcie i łączenie rur PVC-U jest proste. Udowodniono, że połączenia klejowe z PCV są bezpieczne, niezawodne, łatwe w obsłudze i ekonomiczne.

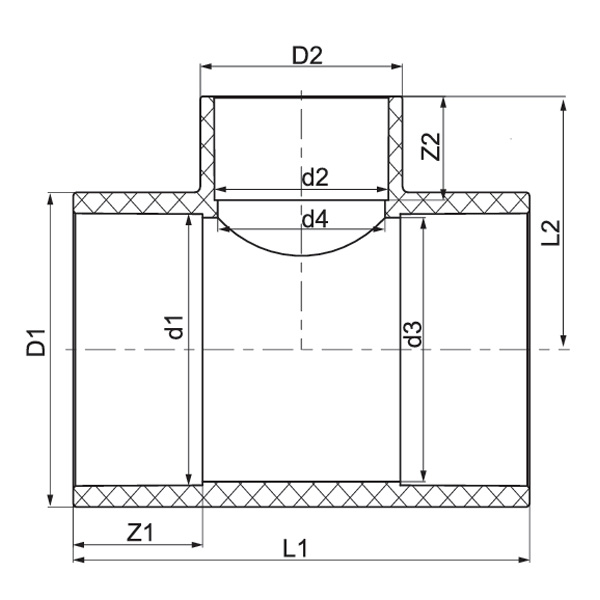
Trójnik redukcyjny z PCV

DN D1 D2 d1 d2 d3 d4 L h Z1 Z2 e1 e2
20*15 31.5 26 25 20 20 16 65.5 29.5 19 19 3.2 3
25*15 41 27 32 20 27 16 80.5 33.5 22 19 4.5 3.5
25*20 41 31.5 32 25 27 20 80.5 36.5 22 19 4.5 3.2
32*15 50.5 26 40 20 34 16 96.5 37.25 26 16.5 5.2 3
32*20 50.5 31.5 40 25 34 20 96.5 40.25 26 19 5.2 3.2
32*25 50.5 41 40 32 34 27 96.5 43.65 26 22 5.2 4.5
40*15 63.5 27 50 20 44 16 116 42.85 31 16 6.7 3.5
40*20 63.5 33 50 25 44 20 116 45.75 31 19 6.7 4
40*25 63.5 43 50 32 44 27 116 48.65 31 22 6.7 5.5
40*32 63.5 51 50 40 44 34 116 52.45 31 26 6.7 5.3
50*20 79 33 63 25 55 20 143 52 38 19 8 3.8
50*25 79 41 63 32 55 27 143 55.3 38 22 8 4.5
50*32 79 50.5 63 40 55 34 143 60 38 26 8 5.3
50*40 79 63.5 63 50 55 44 143 63.5 38 31 8 6.6
65*25 94.5 41 75 32 69 27 168 70.5 44 22 9.7 4.5
65*32 94.5 50.5 75 40 69 34 168 64 44 26 9.7 5.2
65*40 94.5 63 75 50 69 44 168 70 44 31 9.7 6.5
65*50 94.5 79.5 75 63 69 55 168 79 44 38 9.7 8.2
80*20 114 42.5 90 25 87 20 197 68.5 50.5 18.5 12 8.7
80*25 114 42.5 90 32 87 27 197 68.5 50.5 22 12 5.2
80*32 114 52 90 40 87 34 197 73.5 50.5 26 12 5.8
80*40 114 63.5 90 50 87 44 197 78.5 50.5 31 12 6.7
80*50 114 80 90 63 87 55 197 83 50.5 38 12 8.4
80*65 114 95 90 75 87 69 197 92 50.5 44 12 10
100*25 134 41 110 32 106 27 237 77 61 22.5 12 4.4
100*32 134 50 110 40 106 34 237 85 61 26 12 5
100*40 134 63 110 50 106 44 237 89 61 31 12 6.5
100*50 134 79 110 63 106 55 237 89 61 37.5 12 8
100*65 134 94.5 110 75 106 69 237 100 61 44 12 9.7
100*80 134 113.5 110 90 106 87 237 107 61 51 12 11.7
125*50 163 113 140 63 135 55 297.5 132.5 77 37.5 11.5 8
125*80 163 113 140 90 135 87 297.5 132.5 77 50.5 11.5 11.5
125*100 163 134 140 110 135 106 297.5 138.5 77 60.5 11.5 12

DN D1 D2 d1 d2 d3 d4 L h Z1 Z2 e1 e2
150*50 185.5 79.5 160 63 156 55 337 117.5 85.5 38 12.7 8.2
150*65 185.5 95 160 75 156 69 337 128.5 85.5 44 12.7 10
150*80 185.5 113 160 90 156 87 337 132.5 85.5 51 12.7 11.5
150*100 185.5 134.5 160 110 156 106 337 142.5 85.5 60.5 12.7 12.2
150*125 185.5 162 160 140 156 135 337 159.5 85.5 77 12.7 11
200*50 261 75 225 63 219 59 420 157.5 119 38 18 6
200*65 261 89 225 75 219 71 420 163 119 44 18 7
200*80 261 106 225 90 219 86 420 171 119 51 18 8
200*100 261 129 225 110 219 105 420 181 119 61 18 9.5
250*125 308 161 280 140 270 130 538 225 146 76 14 10.5
250*150 308 184 280 160 270 150 538 235 146 86 14 12
250*200 308 248 280 225 270 219 538 268 146 119 14 11.5
300*200 346 249 315 225 310 219 662 281 163.5 113.5 15.5 12
350*150 390 184 355 160 340 154 749 276.5 184 86 17.5 12
350*200 390 249 355 225 340 219 749 309 184 118.5 17.5 12
450*300 494 346 450 315 430 304 944 448 231 164 22 15.5
Wiadomość zwrotna
[#wejście#]
O nas
Kaixin Pipeline Technologies Co., Ltd.
Założona w 1999 roku, Kaixin Pipeline Technologies Co., Ltd. to zaawansowane technologicznie przedsiębiorstwo integrujące badania i rozwój, produkcję, sprzedaż i serwis. Firma posiada wiele prestiżowych certyfikatów, w tym National High-Tech Enterprise, „Little Giant” wyspecjalizowane i wyrafinowane MŚP, krajowy mistrz pojedynczego produktu (uprawa), prowincjonalne MŚP oparte na technologii, wyspecjalizowane i wyrafinowane MŚP w Ningbo, mistrz pojedynczego produktu w Ningbo (uprawa), centrum badawczo-rozwojowe w zakresie technologii rur i zaworów polimerowych w Ningbo, zielona fabryka na poziomie okręgu, czterogwiazdkowe przedsiębiorstwo w zakresie innowacji w zarządzaniu oraz poziom dojrzałości zarządzania danymi przedsiębiorstwa 2.
Specjalizujemy się w opracowywaniu, produkcji i dostarczaniu niemetalowych, odpornych na korozję produktów do zastosowań chemicznych, w tym plastikowych zaworów, rur, złączek rurowych i odpornych na korozję pomp. Nasze portfolio produktów obejmuje materiały takie jak PVC-C, PVC-U, PVDF, PPH i FRPP, z szeroką gamą typów i specyfikacji. Warto zauważyć, że nasze przepustnice mogą osiągać średnicę DN1000, a rury i kształtki do DN800, co pozwala wypełnić luki rynkowe i utrzymać naszą przewagę konkurencyjną w branży.
Kierując się zasadą „Napędzani technologią, dotrzymując kroku czasom”, Kaixin przeznacza prawie 10 milionów RMB rocznie na badania i rozwój. Zapewniamy najwyższą jakość produktów poprzez standaryzowaną, zautomatyzowaną produkcję i rygorystyczne pozyskiwanie importowanych surowców. Zgodnie z naszą międzynarodową strategią rozwoju stale monitorujemy światowe trendy rynkowe i wykorzystujemy kanały cyfrowe, aby dostarczać klientom na całym świecie wysokiej jakości produkty „Made in China”.
Ningbo • Baza badawczo-rozwojowa i produkcyjna Fenghua
Dzięki inwestycji o łącznej wartości 200 milionów RMB firma Kaixin Ultra-Pure Pipe Technology (Ningbo) Co., Ltd. utworzyła nowe laboratorium materiałowe we współpracy z uniwersytetami i instytutami badawczymi, zbudowała nowoczesną bazę produkcyjną i zainstalowała 8 w pełni zautomatyzowanych linii produkcyjnych do modyfikowanych tworzyw sztucznych i 8 do materiałów polimerowych. Obiekt zajmuje się badaniami i rozwojem, produkcją i zastosowaniem nowych modyfikowanych tworzyw sztucznych i materiałów polimerowych. Kaixin angażuje się także w przyciąganie najlepszych talentów z różnych dziedzin, ciągłe wprowadzanie innowacji w produktach i rozwój marki, a jego celem jest zdobycie pozycji rozpoznawalnego na całym świecie lidera w dziedzinie badań i rozwoju oraz produkcji polimerowych zaworów, rur i złączek.
Świadectwo honorowe
  • honor
  • honor
  • honor
  • honor
  • honor
  • honor
  • honor
  • honor
  • honor
Wiadomości