Lista ograniczeń temperaturowych aplikacji

Materiał Średnia temperatura℃ Materiał Średnia temperatura℃
PCV-C -20 ℃ ~ 95 ℃ PCV-U -5 ℃ ~ 45 ℃
FRPP -20 ℃ ~ 120 ℃ PPH -20 ℃ ~ 110 ℃
PVDF 40 ℃ ~ 150 ℃

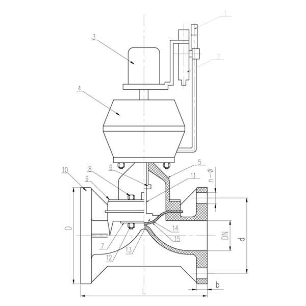
Cechy strukturalne produktu

1. Membrana uszczelniająca wykonana jest z F46 lub PFA, o wytrzymałości na zginanie ≥ 120 000 razy i odporności na korozję porównywalnej z F4.
2. Śrubowy mechanizm podnoszący zapewnia niski moment otwierania i zamykania oraz doskonałą stabilność.
3. Siłownik może być sterowany zdalnie za pomocą komputera lub centrum sterowania, kontrolując przepływ i przepływ medium poprzez otwieranie i zamykanie zaworu. Zapewnia to większą wygodę i szybkość, zmniejsza koszty pracy i zapewnia bezpieczeństwo pracownikom na miejscu.

Tabela materiałów części

Nie. Imię Materiał Ilość
1 Zawór elektromagnetyczny 1
2 Manometr 1
3 Urządzenie sprzężenia zwrotnego sygnału 1
4 Siłownik pneumatyczny Stop aluminium 1
5 Maska PPH, PVC-C, PVC-U, PVDF, FRPP 1
6 Nakrętka jarzma Stal SS, Stal 1
7 Płyta Q345, stal SS 2
8 Śruba Stal,StainlessSteel 4
9 Płyta Q345, stal SS 2
10 Ciało PPH, PVC-C, PVC-U, PVDF, FRPP 1
11 Łodyga Stal,StainlessSteel 1
12 Nakrętka Nakrętka Stal,StainlessSteel 4
13 Płyta zaworowa PPH, PVC-C, PVC-U
FRPP, PVDF/żeliwo
1
14 Flim EPDM, FPM 1
15 Membrana F46.PFA.PTFE 1
Lista wymiarów

D d L b n-Φ
15 95 65 125 14 4-Φ14
20 105 75 135 18 4-Φ14
25 115 85 145 18 4-Φ14
32 135 100 160 18 4-Φ18
40 145 110 180 20 4-Φ18
50 160 125 210 22 4-Φ18
65 180 145 250 24 4-Φ18
80 195 160 300 24 8-Φ18
100 225 180 350 28 8-Φ18
125 245 210 400 30 8-Φ18
150 280 240 455 30 8-Φ23x27
200 335 295 570 40 8-Φ22
250 390 350 680 38 12-Φ23
300 445 400 680 38 12- Φ 23
Wiadomość zwrotna
O nas
Kaixin Pipeline Technologies Co., Ltd.
Założona w 1999 roku, Kaixin Pipeline Technologies Co., Ltd. to zaawansowane technologicznie przedsiębiorstwo integrujące badania i rozwój, produkcję, sprzedaż i serwis. Firma posiada wiele prestiżowych certyfikatów, w tym National High-Tech Enterprise, „Little Giant” wyspecjalizowane i wyrafinowane MŚP, krajowy mistrz pojedynczego produktu (uprawa), prowincjonalne MŚP oparte na technologii, wyspecjalizowane i wyrafinowane MŚP w Ningbo, mistrz pojedynczego produktu w Ningbo (uprawa), centrum badawczo-rozwojowe w zakresie technologii rur i zaworów polimerowych w Ningbo, zielona fabryka na poziomie okręgu, czterogwiazdkowe przedsiębiorstwo w zakresie innowacji w zarządzaniu oraz poziom dojrzałości zarządzania danymi przedsiębiorstwa 2.
Specjalizujemy się w opracowywaniu, produkcji i dostarczaniu niemetalowych, odpornych na korozję produktów do zastosowań chemicznych, w tym plastikowych zaworów, rur, złączek rurowych i odpornych na korozję pomp. Nasze portfolio produktów obejmuje materiały takie jak PVC-C, PVC-U, PVDF, PPH i FRPP, z szeroką gamą typów i specyfikacji. Warto zauważyć, że nasze przepustnice mogą osiągać średnicę DN1000, a rury i kształtki do DN800, co pozwala wypełnić luki rynkowe i utrzymać naszą przewagę konkurencyjną w branży.
Kierując się zasadą „Napędzani technologią, dotrzymując kroku czasom”, Kaixin przeznacza prawie 10 milionów RMB rocznie na badania i rozwój. Zapewniamy najwyższą jakość produktów poprzez standaryzowaną, zautomatyzowaną produkcję i rygorystyczne pozyskiwanie importowanych surowców. Zgodnie z naszą międzynarodową strategią rozwoju stale monitorujemy światowe trendy rynkowe i wykorzystujemy kanały cyfrowe, aby dostarczać klientom na całym świecie wysokiej jakości produkty „Made in China”.
Ningbo • Baza badawczo-rozwojowa i produkcyjna Fenghua
Dzięki inwestycji o łącznej wartości 200 milionów RMB firma Kaixin Ultra-Pure Pipe Technology (Ningbo) Co., Ltd. utworzyła nowe laboratorium materiałowe we współpracy z uniwersytetami i instytutami badawczymi, zbudowała nowoczesną bazę produkcyjną i zainstalowała 8 w pełni zautomatyzowanych linii produkcyjnych do modyfikowanych tworzyw sztucznych i 8 do materiałów polimerowych. Obiekt zajmuje się badaniami i rozwojem, produkcją i zastosowaniem nowych modyfikowanych tworzyw sztucznych i materiałów polimerowych. Kaixin angażuje się także w przyciąganie najlepszych talentów z różnych dziedzin, ciągłe wprowadzanie innowacji w produktach i rozwój marki, a jego celem jest zdobycie pozycji rozpoznawalnego na całym świecie lidera w dziedzinie badań i rozwoju oraz produkcji polimerowych zaworów, rur i złączek.
Świadectwo honorowe
  • honor
  • honor
  • honor
  • honor
  • honor
  • honor
  • honor
  • honor
  • honor
Wiadomości