Wziernik PVDF DN25-200 1"-8" ANSI

Wziernik gwintowany z PVDF
Biały, żaroodporny wziernik z PVDF. Wysokotemperaturowy, spiralny wskaźnik poziomu cieczy z tworzywa sztucznego. Standard ANSI
Pochodzenie: Zhejiang, Ningbo
Nazwa marki: KXPV
Nazwa produktu: Wziernik
Rozmiar: DN15-200
Czas dostawy: 7 dni
Minimalna ilość zamówienia: 1 sztuka
Wydajność dostaw: 10 000 sztuk/miesiąc
Materiał: PCV
Kolor: biały

Klasa ciśnienia: 1,0Mpa (10 barów)

Lista ograniczeń temperaturowych aplikacji

Materiał Średnia temperatura℃ Materiał Średnia temperatura℃
PCV-C -20 ℃ ~ 95 ℃ PCV-U -5 ℃ ~ 45 ℃
FRPP -20 ℃ ~ 120 ℃ PPH -20 ℃ ~ 110 ℃
PVDF 40 ℃ ~ 150 ℃

Cechy strukturalne produktu

1. Kompaktowy i estetyczny wygląd.
2.Lekki korpus ułatwiający instalację.
3. Odporny na zużycie, łatwy do demontażu i prosty w konserwacji.
4. Wykonane ze szkła borokrzemianowego, zapewniającego dużą odporność na korozję i szerokie zastosowanie.
Nadaje się do najbardziej trudnych warunków pracy i ma długą żywotność

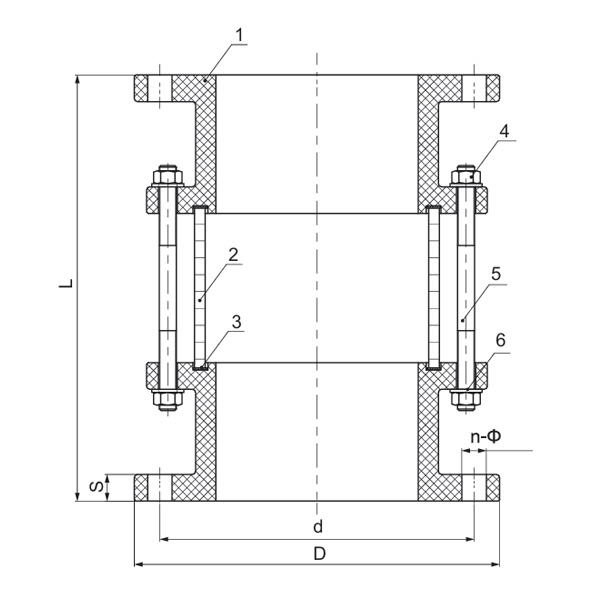
Tabela materiałów części

Nie. Imię Materiał Ilość
PCV-C PCV-U PVDF PPH FRPP
1 Baza PCV-C PCV-U PVDF PPH FRPP 2
2 Szkło BSI BSI BSI BSI BSI 1
3 Guma uszczelniająca FPM EPDM FPM EPDM EPDM 2
4 Nakrętka sześciokątna 304 Żelazo 304 Żelazo Żelazo 16-32
5 Podwójny kołek nagłówkowy 304 Żelazo 304 Żelazo Żelazo 4-8
6 Element wypełniający 304 Żelazo 304 Żelazo Żelazo 16-32
Lista wymiarów



Specyfikacja D(mm) d(mm) L(mm) s(mm) n-Φ(mm)
1"(25) 115 79 238 15 4-Φ16
1½"(40) 150 98 230 16 4-Φ16
2"(50) 165 121 233 17 4-Φ19
2½"(65) 195 140 277 20 4-Φ19
3"(80) 195 152 277 20 8-Φ19
4"(100) 220 191 310 21 8-Φ19
5"(125) 250 216 350 26 8-Φ22
6"(150) 285 241 385 27 8-Φ23
8"(200) 340 299 400 25 8-Φ23x29
Wiadomość zwrotna
[#wejście#]
O nas
Kaixin Pipeline Technologies Co., Ltd.
Założona w 1999 roku, Kaixin Pipeline Technologies Co., Ltd. to zaawansowane technologicznie przedsiębiorstwo integrujące badania i rozwój, produkcję, sprzedaż i serwis. Firma posiada wiele prestiżowych certyfikatów, w tym National High-Tech Enterprise, „Little Giant” wyspecjalizowane i wyrafinowane MŚP, krajowy mistrz pojedynczego produktu (uprawa), prowincjonalne MŚP oparte na technologii, wyspecjalizowane i wyrafinowane MŚP w Ningbo, mistrz pojedynczego produktu w Ningbo (uprawa), centrum badawczo-rozwojowe w zakresie technologii rur i zaworów polimerowych w Ningbo, zielona fabryka na poziomie okręgu, czterogwiazdkowe przedsiębiorstwo w zakresie innowacji w zarządzaniu oraz poziom dojrzałości zarządzania danymi przedsiębiorstwa 2.
Specjalizujemy się w opracowywaniu, produkcji i dostarczaniu niemetalowych, odpornych na korozję produktów do zastosowań chemicznych, w tym plastikowych zaworów, rur, złączek rurowych i odpornych na korozję pomp. Nasze portfolio produktów obejmuje materiały takie jak PVC-C, PVC-U, PVDF, PPH i FRPP, z szeroką gamą typów i specyfikacji. Warto zauważyć, że nasze przepustnice mogą osiągać średnicę DN1000, a rury i kształtki do DN800, co pozwala wypełnić luki rynkowe i utrzymać naszą przewagę konkurencyjną w branży.
Kierując się zasadą „Napędzani technologią, dotrzymując kroku czasom”, Kaixin przeznacza prawie 10 milionów RMB rocznie na badania i rozwój. Zapewniamy najwyższą jakość produktów poprzez standaryzowaną, zautomatyzowaną produkcję i rygorystyczne pozyskiwanie importowanych surowców. Zgodnie z naszą międzynarodową strategią rozwoju stale monitorujemy światowe trendy rynkowe i wykorzystujemy kanały cyfrowe, aby dostarczać klientom na całym świecie wysokiej jakości produkty „Made in China”.
Ningbo • Baza badawczo-rozwojowa i produkcyjna Fenghua
Dzięki inwestycji o łącznej wartości 200 milionów RMB firma Kaixin Ultra-Pure Pipe Technology (Ningbo) Co., Ltd. utworzyła nowe laboratorium materiałowe we współpracy z uniwersytetami i instytutami badawczymi, zbudowała nowoczesną bazę produkcyjną i zainstalowała 8 w pełni zautomatyzowanych linii produkcyjnych do modyfikowanych tworzyw sztucznych i 8 do materiałów polimerowych. Obiekt zajmuje się badaniami i rozwojem, produkcją i zastosowaniem nowych modyfikowanych tworzyw sztucznych i materiałów polimerowych. Kaixin angażuje się także w przyciąganie najlepszych talentów z różnych dziedzin, ciągłe wprowadzanie innowacji w produktach i rozwój marki, a jego celem jest zdobycie pozycji rozpoznawalnego na całym świecie lidera w dziedzinie badań i rozwoju oraz produkcji polimerowych zaworów, rur i złączek.
Świadectwo honorowe
  • honor
  • honor
  • honor
  • honor
  • honor
  • honor
  • honor
  • honor
  • honor
Wiadomości