Redukcja PVC-C DN15*20-600*500 1/2*3/4"-24*20" Norma ANSI

Złączki rurowe PVC-C z PVC DN1520-600500 Akcesoria do reduktorów z tworzywa sztucznego przemysłowego, do zaopatrzenia w chemikalia i wodę Norma ANSI SCH80
Pochodzenie: Chiny
Nazwa marki: KXPV
Proces: kute
Połączenie: gniazdo
Materiał: PVC-C
Kolor: Jasnoszary
Kształt: równy
Kod głowy: Okrągły
Rozmiar: DN15*20-600*500
Zastosowanie: Przemysł
Opakowanie: Karton
Ciśnienie robocze: 1,6 MPa
Czas dostawy: 7 dni
Minimalna ilość zamówienia: 1 sztuka

Lista ograniczeń temperaturowych aplikacji
Materiał Średnia temperatura℃ Materiał Średnia temperatura℃
PCV-C -20 ℃ ~ 95 ℃ PCV-U -5 ℃ ~ 45 ℃
FRPP -20 ℃ ~ 120 ℃ PPH -20 ℃ ~ 110 ℃
PVDF 40 ℃ ~ 150 ℃

Cechy strukturalne produktu

1. Doskonała odporność chemiczna: zakres temperatur jest szeroki od -20 ℃ do 95 ℃. Zawartość jonów w ośrodku spełnia standardy wody ultraczystej. Parametry higieniczne są zgodne z krajowymi normami sanitarnymi.
2. Znakomita wytrzymałość, wytrzymałość i odporność na korozję chemiczną: Materiał zapewnia doskonałą wytrzymałość i odporność na korozję chemiczną.
3. Trwałość: Wyjątkowa odporność na starzenie i promieniowanie UV znacznie wydłużają żywotność w porównaniu do innych systemów rurowych.
4. Niska przewodność cieplna: Przewodność cieplna wynosi około 1/200 stali; właściwości zmniejszające palność są samogasnące.
5. Lekki: waży tylko około 1/5 rur stalowych i 1/6 rur miedzianych.
6. Niski opór, wysokie natężenie przepływu: Gładka i czysta ściana rury powoduje minimalny opór tarcia i przyczepność podczas transportu płynów.
7. Łatwa instalacja, niski koszt: Można łączyć za pomocą klejenia, gwintowania lub najprościej za pomocą kleju, oferując ekonomiczne i przyjazne dla użytkownika rozwiązanie.

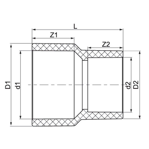
Lista wymiarów

Specyfikacja D1
(mm)
D2
(mm)
d1
(mm)
d2
(mm)
L
(mm)
Z1
(mm)
Z2
(mm)
2″*1″ (50*25) 74 45 60.32 33.4 87 38.5 29
2″*1¼″ (50*32) 74 54.5 60.32 42.16 86 38.5 32
2″*1½″ (50*40) 74 61 60.32 48.26 86 38.5 35
2½″*1¼″ (65*32) 90 54.5 73.02 42.16 98.5 45 32
2½″*1½″ (65*40) 90 61 73.02 48.26 98.5 45 35
2½″*2″ (65*50) 90 74 73.02 60.32 97 45 38.5
3″*1½ ″ (80*40) 107 61 88.9 48.26 109.5 48 35
3″*2″(80*50) 107 74 88.9 60.32 107.5 48 38.5
3″*2½ ″ (80*65) 107 90 88.9 73.02 109 48 45
4″*2″ (100*50) 134 74 114.3 60.32 129.5 57.5 38.5
4″*2½″ (100*65) 134 90 114.3 73.02 131 57.5 45
4″*3″ (100*80) 134 107 114.3 88.9 127 57.5 48
5″*2½″ (125*65) 163 90 141.3 73.02 154.5 67 45
5″*3″(125*80) 163 107 141.3 88.9 150 67 48
5″*4″ (125*100) 163 134 141.3 114.3 146.5 67 57.5
6″*3″(150*80) 192 107 168.28 88.9 173 76.5 48
6″*4″(150*100) 192 134 168.28 114.3 170 76.5 57.5
6″*5″ (150*125) 192 163 168.28 141.3 167 76.5 67
8″*4″ (200*100) 247 134 219.08 114.3 221 102 57.5
8″*5″ (200*125) 247 163 219.08 141.3 218 102 67
8″*6″ (200*150) 247 192 219.08 168.28 215 102 76.5
Wiadomość zwrotna
[#wejście#]
O nas
Kaixin Pipeline Technologies Co., Ltd.
Założona w 1999 roku, Kaixin Pipeline Technologies Co., Ltd. to zaawansowane technologicznie przedsiębiorstwo integrujące badania i rozwój, produkcję, sprzedaż i serwis. Firma posiada wiele prestiżowych certyfikatów, w tym National High-Tech Enterprise, „Little Giant” wyspecjalizowane i wyrafinowane MŚP, krajowy mistrz pojedynczego produktu (uprawa), prowincjonalne MŚP oparte na technologii, wyspecjalizowane i wyrafinowane MŚP w Ningbo, mistrz pojedynczego produktu w Ningbo (uprawa), centrum badawczo-rozwojowe w zakresie technologii rur i zaworów polimerowych w Ningbo, zielona fabryka na poziomie okręgu, czterogwiazdkowe przedsiębiorstwo w zakresie innowacji w zarządzaniu oraz poziom dojrzałości zarządzania danymi przedsiębiorstwa 2.
Specjalizujemy się w opracowywaniu, produkcji i dostarczaniu niemetalowych, odpornych na korozję produktów do zastosowań chemicznych, w tym plastikowych zaworów, rur, złączek rurowych i odpornych na korozję pomp. Nasze portfolio produktów obejmuje materiały takie jak PVC-C, PVC-U, PVDF, PPH i FRPP, z szeroką gamą typów i specyfikacji. Warto zauważyć, że nasze przepustnice mogą osiągać średnicę DN1000, a rury i kształtki do DN800, co pozwala wypełnić luki rynkowe i utrzymać naszą przewagę konkurencyjną w branży.
Kierując się zasadą „Napędzani technologią, dotrzymując kroku czasom”, Kaixin przeznacza prawie 10 milionów RMB rocznie na badania i rozwój. Zapewniamy najwyższą jakość produktów poprzez standaryzowaną, zautomatyzowaną produkcję i rygorystyczne pozyskiwanie importowanych surowców. Zgodnie z naszą międzynarodową strategią rozwoju stale monitorujemy światowe trendy rynkowe i wykorzystujemy kanały cyfrowe, aby dostarczać klientom na całym świecie wysokiej jakości produkty „Made in China”.
Ningbo • Baza badawczo-rozwojowa i produkcyjna Fenghua
Dzięki inwestycji o łącznej wartości 200 milionów RMB firma Kaixin Ultra-Pure Pipe Technology (Ningbo) Co., Ltd. utworzyła nowe laboratorium materiałowe we współpracy z uniwersytetami i instytutami badawczymi, zbudowała nowoczesną bazę produkcyjną i zainstalowała 8 w pełni zautomatyzowanych linii produkcyjnych do modyfikowanych tworzyw sztucznych i 8 do materiałów polimerowych. Obiekt zajmuje się badaniami i rozwojem, produkcją i zastosowaniem nowych modyfikowanych tworzyw sztucznych i materiałów polimerowych. Kaixin angażuje się także w przyciąganie najlepszych talentów z różnych dziedzin, ciągłe wprowadzanie innowacji w produktach i rozwój marki, a jego celem jest zdobycie pozycji rozpoznawalnego na całym świecie lidera w dziedzinie badań i rozwoju oraz produkcji polimerowych zaworów, rur i złączek.
Świadectwo honorowe
  • honor
  • honor
  • honor
  • honor
  • honor
  • honor
  • honor
  • honor
  • honor
Wiadomości